產品動態
- 群創12.1寸 G121ICE-LM2 對比度1000:1 常
- G270QAN01.4 友達27寸 400 cd/m2 分辨率2
- G190ETT01.1 友達19寸 分辨率1280*1024
- 18.5寸G185HAT01.1 友達 對比度1000:1 分
- 友達G101EAT02.6 10.1寸 分辨率1280*800
- G156HAN02.303 友達15.6寸 對比度1000:1
- G057QAN01.1 友達5.7寸 常黑顯示 1000:1
- G238HAN04.0 友達23.8寸 常黑顯示 分辨
- 友達8.4寸 G084SAN01.0 常黑顯示 分辨
- G057QAN01.0 友達 5.7寸 500 cd/m2 常黑
全國統一服務熱線:
15382323032
客服QQ:3234659108
手機:15382323032
地址:浙江省杭州市余杭區五常街道西溪軟件園金牛座B2座4層4118-4119
多功能電力儀表LCD模塊選型
文章出處:原創 人氣:發表時間:2022-07-11
多功能電力儀表LCD模塊選型方案:
多功能電力儀表上(網絡電力儀表或者智能電力儀表)所使用的液晶屏,已經是由傳統的CCFL顯示向LCD顯示飛速的發展,杭州精顯科技根據國家電網公司對于電力產品的最新試驗標準,結合了多年來液晶模塊的生產經驗,開發出了多款可用于多功能電力儀表液晶模塊的液晶屏,為儀表的生產廠家解決了液晶模塊定制、開模等煩惱,在滿足性能以及參數的同時,也大大的降低了其產品的生產成本,為技術開發提供了更有力的保證,下面我們將會逐一品種介紹:1、斷碼屏254S:主要是用于96*48的單相表上,可以實現交流的電流表、電壓表,直流電流表、電壓表,交流有功表、無功表,交流頻率表、功率表等等。
產品的特點:
滿足各種單相表功能參數的顯示要求,不需要開模,產品的庫存比較穩定,性價比也高,254S液晶屏的SEG是32路、COM的是4路,不需要再配置液晶屏獨立控制IC,普通的MCU就可以帶動了,其編程的難度也較低,是電力單項儀表的首選之一了。

【詳細參數咨詢官網客服】
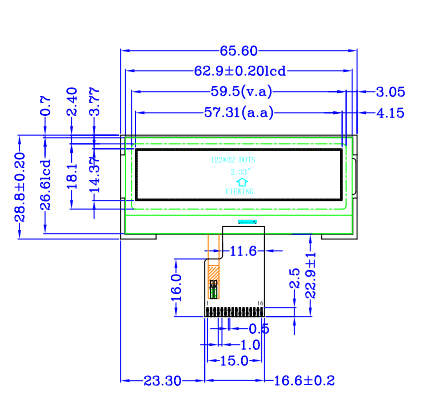
2、點陣屏12232K1G:主要是用在96*48的單相表,可以實現交流電流表、電壓表,直流電流表、電壓表,交流有功表、無功表,交流頻率表、功率表,交流有功無功功率因數組合表及導軌表等等。
產品的特點:
可以滿足各類單相表以及導軌表功能參數的中英文顯示要求,不需要開模,產品的庫存比較穩定,性價比高,12232K1G是點陣液晶屏,是針對于96*48與導軌表專門設計的一款液晶屏,顯示內容可以任意的編排,其擴展性非常強,產品的檔次也高,可以顯示出中文漢字、圖標等等,該屏是采用了模塊自帶驅動芯片,編程也方便,對于MCU的資源占用較低,控制速度快,也不會影響到儀表其他功能的正常運行,采用了FPC的連接方式,極大的降低了生產的成本以及焊接中的虛焊不良率。儀表選用點陣屏是未來的一種大趨勢,在未來的智能電網建設之中,會遇到越來越多的定制產品,這時點陣屏的隨意編排顯示內容的優點就能完全的體現出來了。

【詳細參數請咨詢官網客服】
3、斷碼屏252S:主要是用于96*96與80*80的三相表,可以實現三相交流電流表,三相交流電壓表,三相交流電流電壓組合表,三相交流電流電壓功率組合表等等。
產品的特點:
能夠滿足各類三相電表功能參數的顯示要求,不需要開模,產品的庫存比較穩定,性價比高,252S液晶屏的SEG是32路、COM為4路的一種設計,不需要配置液晶屏獨立的控制IC,普通的MCU就可以帶動了,編程的難度也低,是電力三相電表的首選之一了。

【詳細參數請咨詢官網客服】
上一篇:充電樁上使用的液晶屏 下一篇:陽光下可視液晶屏邦定解決方案-陽光下可視液晶屏選型
最新資訊
- 2025-09-19 TFT工業液晶模組,液晶顯示屏全視
- 2025-09-19 TFT工業液晶模組定制,液晶模組開
- 2025-09-18 為什么有的TFT工業液晶屏能抗高溫
- 2025-09-18 TFT液晶屏是什么通信協議?液晶顯
- 2025-09-17 TFT液晶屏老化發黃怎么辦?都是那
- 2025-09-17 液晶模組亮度怎么調節?常見的TFT
- 2025-09-16 TFT液晶屏怎么燒錄?液晶屏燒錄方
- 2025-09-15 tft工業液晶屏是什么材質?液晶模
- 2025-09-15 示波器設備中的TFT液晶屏都有哪些
- 2025-09-12 TFT是什么?TFT液晶屏是怎么分類的








